
Предлагаемые нами бойлерклавы разработаны в соответствии с требованиями
действующих законодательных актов и нормативных документов:
Техническим регламентом Таможенного союза ТР-ТС032/2013
Пожалуйста, проверьте сертификат соответствия нашей продукции.
Конструкция бойлерклава обеспечивает возможность контроля в процессе эксплуатации
температуры разогрева и величины давления пара.
Параметр | MZDTL100 | MZDTL120 | MZDTL150 |
Размер рабочей камеры ( мм ) | ⌀1000 x 1200 ( x ) | ⌀1200 x 1400 ( x ) | ⌀1500 x 1500 ( x ) |
Общая мощность ( кВт ) | 123 | 183 | 303 |
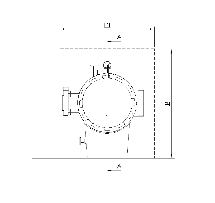
Габариты бойлерклава ( мм ) ( Д x Ш x В ) | 3500 x 1900 x 2200 | 4100 x 2000 x 2300 | 4700 x 2300 x 2600 |
Вес ( кг ) | 3000 | 4000 | 6000 |
Источник питания | 380В 50Г 4Ф | ||
Ручное управление * | ✔︎ | ||
Компьютерное управление * | ✔︎ | ||
Расход воды ( кг/час ) | 30 | 60 | 80 |
Время выхода в рабочий режим ( минут ) | 80 | 100 | 120 |
* В зависимости от требований клиента
Параметр | MZDTL100 |
Размер рабочей камеры ( мм ) | ⌀1000 x 1200 |
Общая мощность ( кВт ) | 123 |
Габариты бойлерклава ( мм ) ( Д x В x Г ) | 3165 x 1960 x 2150 |
Вес ( кг ) | 3000 |
Источник питания | 380В 50Г 4Ф |
Расход воды. ( кг/час ) | 30 |
Время выхода в рабочий режим (минут) | 80 |
Написать |
Параметр | MZDTL120 |
Размер рабочей камеры ( мм ) | ⌀1200 x 1400 |
Общая мощность ( кВт ) | 183 |
Габариты бойлерклава ( мм ) ( Д x В x Г ) | 4100 x 2100 x 2300 |
Вес ( кг ) | 4000 |
Источник питания | 380В 50Г 4Ф |
Расход воды. ( кг/час ) | 60 |
Время выхода в рабочий режим (минут) | 100 |
Написать |
Параметр | MZDTL150 |
Размер рабочей камеры ( мм ) | ⌀1500 x 1500 |
Общая мощность ( кВт ) | 303 |
Габариты бойлерклава ( мм ) ( Д x В x Г ) | 4700 x 2300 x 2600 |
Вес ( кг ) | 6000 |
Источник питания | 380В 50Г 4Ф |
Расход воды. ( кг/час ) | 80 |
Время выхода в рабочий режим (минут) | 120 |
Написать |
Параметр | MZDTL100 | MZDTL120 | MZDTL150 |
Размер рабочей камеры ( мм ) | ⌀1000 x 1200 | ⌀1200 x 1400 | ⌀1500 x 1500 |
Общая мощность ( кВт ) | 123 | 183 | 303 |
Габариты бойлерклава ( мм ) ( Д x Ш x В ) | 3500 x 1900 x 2200 | 4100 x 2000 x 2300 | 4700 x 2300 x 2600 |
Вес ( кг ) | 3000 | 4000 | 6000 |
Источник питания | 380В 50Г 4Ф | ||
Ручное управление * | ✔︎ | ||
Компьютерное управление * | ✔︎ | ||
Расход воды ( кг/час ) | 30 | 60 | 80 |
Время выхода в рабочий режим (минут) | 80 | 100 | 120 |
Написать | Написать | Написать | |
* В зависимости от требований клиента
Параметр | MZDTL100 |
Размер рабочей камеры ( мм ) | ⌀1000 x 1200 ( x ) |
Общая мощность ( кВт ) | 123 |
Габариты бойлерклава ( мм ) ( Д x Ш x В ) | 3500 x 1900 x 2200 |
Вес ( кг ) | 3000 |
Источник питания | 380В 50Г 4Ф |
Тип управления | Ручной или компьютерный |
Расход воды. ( кг/час ) | 30 |
Время выхода в рабочий режим ( минут ) | 80 |
Параметр | MZDTL120 |
Размер рабочей камеры ( мм ) | ⌀1200 x 1400 ( x ) |
Общая мощность ( кВт ) | 183 |
Габариты бойлерклава ( мм ) ( Д x Ш x В ) | 4100 x 2100 x 2300 |
Вес ( кг ) | 4000 |
Источник питания | 380В 50Г 4Ф |
Тип управления | Ручной или компьютерный |
Расход воды. ( кг/час ) | 60 |
Время выхода в рабочий режим ( минут ) | 100 |
Параметр | MZDTL150 |
Размер рабочей камеры ( мм ) | ⌀1500 x 1500 ( x ) |
Общая мощность ( кВт ) | 303 |
Габариты бойлерклава ( мм ) ( Д x Ш x В ) | 4700 x 2300 x 2600 |
Вес ( кг ) | 6000 |
Источник питания | 380В 50Г 4Ф |
Тип управления | Ручной или компьютерный |
Расход воды. ( кг/час ) | 80 |
Время выхода в рабочий режим ( минут ) | 120 |


Включение насоса при низком уровне воды.
Отключение нагрева при превышении заданной температуры.
Спуск пара и отключение нагрева при избыточном давлении.
Концевой замок на двери рабочей камеры, исключающий случайное открытие двери.